
高层住宅小区有线电视及电话系统图(共16张图纸)

高层住宅小区有线电视及电话系统图(共16张图纸)

高层住宅小区有线电视及电话系统图(共16张图纸)
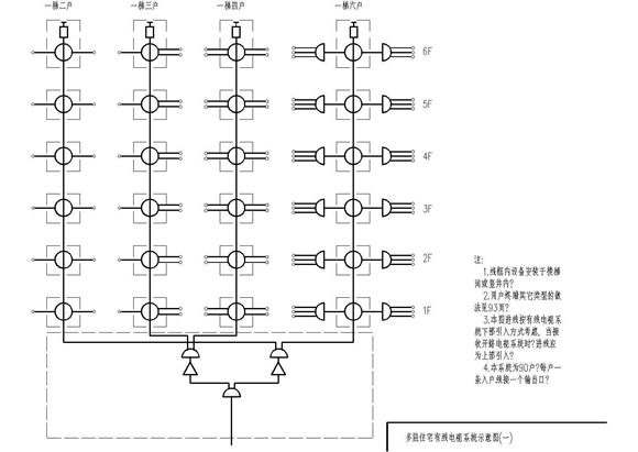
本资料为高层住宅小区有线电视及电话系统图。具体内容包括:高层住宅小区有线电视系统示意图、有线电视系统分配模式图、高层住宅电话系统图、高层住宅竖井电话电缆布线图等。共16张图纸。

高层住宅小区有线电视及电话系统图(共16张图纸)

高层住宅小区有线电视及电话系统图(共16张图纸)

高层住宅小区有线电视及电话系统图(共16张图纸)
本资料为高层住宅小区有线电视及电话系统图。具体内容包括:高层住宅小区有线电视系统示意图、有线电视系统分配模式图、高层住宅电话系统图、高层住宅竖井电话电缆布线图等。共16张图纸。
声明:资源收集自网络或用户分享,仅供学习参考,如侵犯您的权益,请联系我们处理。
不能下载?报告错误