
标准号JB/ZQ 4167-2006状态
发布于:
实施于:
中心孔简化表示法基本信息
标准号:JB/ZQ 4167-2006
标准名称:中心孔简化表示法
英文名称:Simplified representation of centre holes
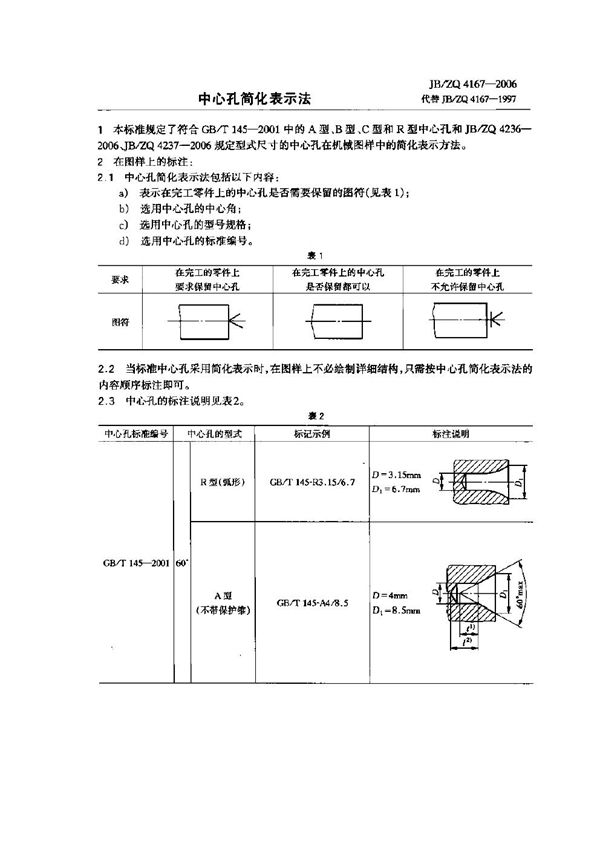
本标准规定了符合GB/T145-2001中的A型、B型、C型和R型中心孔和JB/ZQ4236-2006、JB/ZQ4237-200690°中心孔规定型式尺寸的中心孔在机械图样中的简化表示方法。

发布于:
实施于:
标准号:JB/ZQ 4167-2006
标准名称:中心孔简化表示法
英文名称:Simplified representation of centre holes
本标准规定了符合GB/T145-2001中的A型、B型、C型和R型中心孔和JB/ZQ4236-2006、JB/ZQ4237-200690°中心孔规定型式尺寸的中心孔在机械图样中的简化表示方法。
声明:资源收集自网络或用户分享,仅供学习参考,使用请以正式版为准;如侵犯您的权益,请联系我们处理。
不能下载?报告错误